Длительное сотрудничество с ведущими технологическими компаниями Китая и появление новых современных материалов позволило компании TEXENERGO разработать прозрачный корпус для автоматических выключателей на основе материала, используемого в аэрокосмической и оборонной технике.
Прозрачный корпус автоматического выключателя позволяет обслуживающему персоналу оценить состояние коммутационного аппарата, его деталей и узлов путём визуального осмотра и контроля на всех этапах эксплуатации для своевременного принятия решений о ремонте и замене. Это дает возможность выйти на новый уровень контроля за изделием, невозможный в традиционных корпусах.
Визуальный контроль за состоянием силовых контактов автоматического выключателя позволяет использовать изделие в режиме рубильника, основным функциональным предназначением которого является создание видимого разрыва цепи, что автоматически полностью реализуется в прозрачном корпусе.
В случае многократного срабатывания автоматического выключателя в режимах отключения токов короткого замыкания важное значение имеет оценка состояния деталей аппарата для предотвращения отказов в случае возникновения аварийных ситуаций. Прозрачный корпус существенно облегчает данную задачу без разбора устройства и обесточивания питаемых объектов. В результате повышается надежность электроснабжения, появляется возможность своевременного предупреждения развития негативных ситуаций и проведения профилактических мероприятий, а также, что существенно, проведения информационного контроля в режиме онлайн без плановых или иных перерывов в электроснабжении обслуживаемого объекта.
Кроме всего прочего, использование прозрачного автоматического выключателя - это не только современно, но и красиво, наглядно. Это придает особый инновационный статус технологическому оборудованию.
Мы сделали новый шаг в направлении развития электротехнической аппаратуры, создав технологию, позволяющую придать новые качественные свойства объектам управления в электроснабжении и вывести их на более высокий уровень информационного контроля и профилактических мероприятий. Все это в комплексе позволяет существенно повысить надежность и эффективность функционирования систем управления.
Отличительные особенности выключателей автоматических ВА67 NM1
|
|
| Прозрачный корпус | Высокие значения номинальной предельной наибольшей отключающей способности Icu - до 85 кА |
|
|
| Каждый выключатель проходит тестирование и настройку | Яркая, легко читаемая маркировка |
|
|
| Широкий диапазон тепловых расцепителей | Каждый выключатель защищен саморазрушающейся голографической наклейкой |
Характеристики выключателей автоматических ВА67 NM1
Выключатели автоматические серии ВА67 NM1 предназначены для проведения тока в нормальном режиме и отключении электрооборудования при токах перегрузки. Выключатели рассчитаны на работу в трехфазных сетях напряжением 400/660В частотой 50Гц, имеют семь типоисполнений на номинальные токи от 16 до 1250А.
Область применения: защита и нечастое (до 30 раз в сутки) включение и отключение отдельных потребителей на производственных площадках и других объектах гражданского строительства; установка в щитовом электрооборудовании производственных, общественных, торговых и жилых зданий.
|
Тип выключателя |
BA67-31 |
BA67-35 |
BA67-37 |
BA67-39 |
BA67-40 |
BA67-41 |
BA67-43 |
|
|
Номинальное рабочее напряжение Ue, В |
400 |
690 |
||||||
|
Номинальное напряжение изоляции Ui, В |
500 |
800 |
||||||
|
Максимальный номинальный ток, А |
63 |
250 |
400 |
630 |
800 |
1250 |
1600 |
|
|
Номинальный ток in, А |
16, 25, 40, 50,63 |
100,125,160, 200, 250 |
250,315,400 |
400,500, 630 |
630, 800 |
1000,1250 |
1600 |
|
|
Номинальная частота, Гц |
50 |
|||||||
|
Уставка электромагнитного расцепителя Im, А |
10In |
|||||||
|
Предельная наибольшая отключающая способность Ics, к А |
при 400В |
15 |
25 |
35 |
35 |
60 |
65 |
85 |
|
при 690В |
|
5 |
10 |
12 |
20 |
20 |
30 |
|
|
Рабочая наибольшая отключающая способность Ics, к А |
50%icu |
|||||||
|
Номинальное импульсное выдерживаемое напряжение Uimpo, кВ |
6 |
8 |
||||||
|
Число полюсов |
3 |
|||||||
|
Электрическая износостойкость, циклов В-О, не менее |
2500 |
1600 |
1500 |
1000 |
1000 |
1000 |
1000 |
|
|
Механическая износостойкость, циклов В-О, не менее |
7000 |
6000 |
4000 |
4000 |
4000 |
2500 |
2000 |
|
|
Степень защиты |
IP20 |
|||||||
Время срабатывания выключателя в зоне токов перегрузки
|
Испытательный ток, А |
l/ln |
Время срабатывания |
Состояние выключателя |
|
Ток несрабатывания (выключатель не должен отключаться) |
1.05 |
> 1 час при In не более 63А > 2 часа при In более 63А |
Холодное состояние |
|
Ток срабатывания (выключатель должен отключаться) |
1.30 |
< 1 час при In не более 63А <, 2 часа при In более 63А |
Непосредственно после- первого испытания |
Дополнительные устройства (приобретаются отдельно)
1. Выключатель автоматический
2. Выключатель автоматический с выводами для заднего присоединения
3. Расцепитель минимального напряжения
4. Независимый расцепитель
5. Сигнальные контакты
6. Вспомогательные контакты
7. Механизм двигательного привода
8. Ручной поворотный привод
9. Блокировка рукоятки
10. Зажим для присоединения проводников
11. Защитные крышки выводов
12. Внешние выводы для переднего присоединения к шинам
Электрическая схема
1
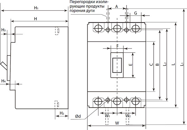
Габаритные и установочные размеры
|
Типоразмер |
BA67-31 |
BA67-35 |
BA67-37 |
BA67-39 |
BA67-40 |
BA67-41 |
BA67-43 |
|
А, мм |
25 |
35 |
44 |
58 |
70 |
70 |
70 |
|
В, мм |
117 |
126 |
194 |
200 |
243 |
375 |
299 |
|
0с1, мм |
4,5 |
5,5 |
7 |
7 |
7 |
10 |
13 |
|
С, мм |
85 |
102 |
127 |
134,5 |
136 |
265,5 |
|
|
Е, мм |
48 |
51 |
88,5 |
89 |
81 |
97 |
100 |
|
F, мм |
22 |
22 |
65 |
65,5 |
66 |
78 |
78 |
|
G, мм |
14 |
23 |
30,5 |
44 |
45 |
|
|
|
Gi, мм |
6,5 |
11,5 |
11 |
13,5 |
12,5 |
|
|
|
Н, мм |
72 |
86 |
107 |
112 |
116 |
141 |
138 |
|
Hi, мм |
90 |
110 |
162 |
164,5 |
168 |
202 |
192 |
|
Eh, мм |
18 |
24 |
40 |
42 |
41,5 |
58 |
41 |
|
Нз, мм |
4 |
4 |
6,5 |
7 |
4,5 |
16,5 |
16 |
|
Нл, мм |
6 |
5 |
5 |
3,5 |
5 |
2 |
|
|
L, мм |
135 |
165 |
257 |
270,5 |
280 |
406 |
330 |
|
Li, мм |
233 |
360 |
457 |
470 |
485 |
715 |
510 |
|
L2, мм |
117 |
144 |
224 |
234 |
243 |
|
|
|
W, мм |
76 |
105 |
150 |
182 |
210 |
210 |
210 |
|
Wi, мм |
25 |
35 |
48 |
58 |
70 |
70 |
70 |
Инструкция по тестированию
1. Перед началом тестирования включите и выключите автоматический выключатель, используя переключатель на лицевой стороне устройства;
2. Подготовьте соединительный кабель соответствующего сечения, воспользовавшись таблицей:
|
Номинальный ток, А |
Сечение кабеля, мм2 |
Переменный ток, А |
Постоянный ток ,А |
|
10-50 |
10 |
400 |
600 |
|
63 |
16 |
504 |
756 |
|
80 |
25 |
640 |
960 |
|
100 |
35 |
800 |
1200 |
3. Подведите соединительный кабель от автоматического выключателя к испытательному прибору;
4. Проведите тестирование поочередно, подключая фазы переменного тока к соответствующим клеммам:
- AB
- BC
- AC
Внимание! Тестирование необходимо проводить задействуя пары клемм поочередно: АВ, ВС, АС.
Надежность и качество
TEXENERGO не первый год сотрудничает с международными лабораториями обладающими всеми необходимым техническими возможностями для проведения испытаний, но и в высшей степени квалифицированным персоналом и безупречной репутацией. Мы уверены, что результаты испытаний нашего оборудования, заслуживают высокого уровня доверия и являются подтверждением качества производимой под брендом TEXENERGO продукции.
Мы делаем все, чтобы, приобретая автоматические выключатели ВА67 NM1, вы были уверенны в их качестве, надежности и гарантированной поддержке в случае необходимости.
Сделайте свой выбор в пользу надежного производителя и поставщика – TEXENERGO.
Для быстрого и удобного оформления заказов, воспользуйтесь нашим сервисом по подбору товаров по референсам и артикулам.
Необходимо пройти регистрацию.
Обращайтесь к нашим менеджерам по продажам, чтобы узнать о всех действующих акциях и скидках: +7 (495) 651-99-99 (доб. 1200)







