Предлагаем вашему вниманию Изоляторы шинные СТ «лесенка».
Изоляторы применяются для крепления, фиксации и изоляции токопроводящих шин внутри электрических щитов и другого оборудования. Крепление изолятора осуществляется с помощью болта и шайбы, к монтажной пластине или корпусу - с одной стороны, и токоведущей шине - с другой.
Один такой изолятор заменяет четыре изолятора SM «бочонок». Конструкция изолятора позволяет надежно фиксировать токопроводящие шины относительно друг друга. Время на затрачиваемое на монтаж, сокращается вдвое. Использование Лесенки позволяет создавать логичную ступенчатую распределительную систему в электрощите.
|
Характеристики изоляторов СТ
|
|
|
Параметр
|
Значение
|
|
Максимальный рабочий ток
|
от 300-900 А
|
|
Напряжение пробоя
|
от 6-18 кВ
|
|
Диэлектрические потери
|
мненее 0,015 |
|
Уровень горючести
|
негорючий
|
|
Электрическое сопротивление
|
1х10¹² Ом
|
|
Прочность на изгиб
|
более 123 мПа
|
|
Ударная вязкость
|
более 25 кДж/м ² |
|
Изменение формы
|
при давлении 1,8 мПа и температуре нен ниже 250С |
|
Усадка
|
менее 15% |
|
Впитывание влаги
|
менее 20 мг |
|
Плотность материала
|
1,75-1,95 г/см |
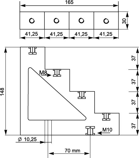
Габаритные размеры изоляторов СТ (нажмите чтобы увеличить)
|
450А 9кВ
|
600А 12кВ
|
|
700А 15кВ |
900А 18кВ |











